環松套法蘭
-
用PN標記的對焊環板式松套鋼制管法蘭分為A型(PL/W-A)和B型(PL/W-B)兩 種結構型式,密封面型式及適用的公稱壓力和公稱尺寸范圍
適用的公稱壓力和公稱尺寸范圍(GB/T 9120— 2010)
法蘭型式 | 密封面型式 | 公稱壓力 | |||||
PN 2. 5 | PN 6 | PN 10 | PN 16 | PN 25 | PN 40 | ||
A型對焊 環板式松套 鋼制管法蘭 (PL/W-A) | 突面(RF) | — | ? | DN 10 ~DN 600 | |||
凹凸面(MF) | — | — | DN 10~DN 600 | ||||
榫槽面(TG) | — | ? | DN 10~DN 600 | ||||
()形圈面(OSG) | — | — | DN 10~DN 600 | ||||
B型對焊 環板式松套 鋼制管法蘭 (PL/W-B) | 突面(RF) | DN 10 ~ DN 1000 | DN 10 ~DN 1200 | DN 10 ~ DN 1000 | DN 10 ~ DN 800 | DN 10 ~ DN 400 |
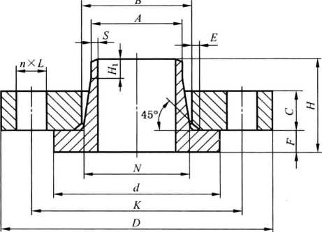
用PN標記的A型對焊環松套鋼制管法蘭的型式包括突面、凹凸面、榫槽面及()形 圈面4種,見圖3-51~圖3-54。8.3. 用PN標記的法蘭密封面尺寸見表3-116。
. PN 10A型、PN 16A型、PN25A型、PN40A型的對焊環板式松套鋼制管法蘭尺寸 見表3-117~表3-120。當用戶選用S值不同于表中所規定的數值時,應在訂貨時注明。
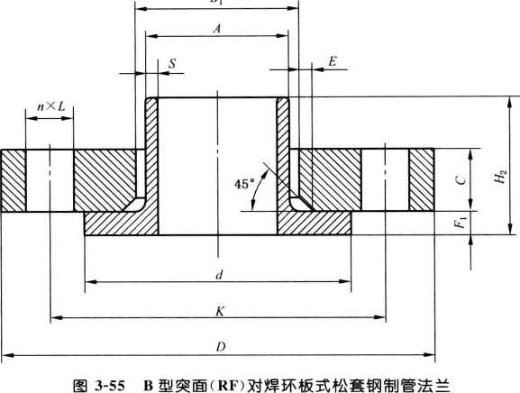
用PN標記的B型對焊環板式松套鋼制管法蘭的型式僅有突面一種,見圖3-55。
PN 2. 5B型、PN 6B型、PN 10B型、PN 16B型、PN 25B型及PN 40B型的對焊環板 式松套鋼制管法蘭尺寸見表3-121~表3-126。當用戶選用的S值不同于表中所規定的數 值時,應在訂貨時注明。

用PN標記的法蘭密封面尺寸(GB/T 9120—2010)

PN 6B型對焊環板式松套鋼制管法蘭尺寸(GB/T 9120—2010)
. PN 10A型、PN 16A型、PN25A型、PN40A型的對焊環板式松套鋼制管法蘭尺寸 見表3-117~表3-120。當用戶選用S值不同于表中所規定的數值時,應在訂貨時注明。
用PN標記的B型對焊環板式松套鋼制管法蘭的型式僅有突面一種,見圖3-55。
PN 2. 5B型、PN 6B型、PN 10B型、PN 16B型、PN 25B型及PN 40B型的對焊環板 式松套鋼制管法蘭尺寸見表3-121~表3-126。當用戶選用的S值不同于表中所規定的數 值時,應在訂貨時注明。

用PN標記的法蘭密封面尺寸(GB/T 9120—2010)
公稱 尺寸 DN |
公稱壓力 |
hi mm |
,3/ |
/" mm |
W/ mm |
X/ mm |
Y! mm |
Z! mm |
a |
RJ mm |
|||||
PN 2.5 | PN 6 | PN 10 | PN 16 | PN 25 | ^PN 40 | ||||||||||
d/mm | |||||||||||||||
10 | 35 | 35 | 40 | 40 | 40 | 40 | 4.5 | 4.0 | 2.0 | 24 | 34 | 35 | 23 | — | 2. 5 |
15 | 40 | 40 | 45 | 45 | 45 | 45 | 29 | 39 | 40 | 28 | — | ||||
20 | 50 | 50 | 58 | 58 | 58 | 58 | 36 | 50 | 51 | 35 | 41° | ||||
25 | 60 | 60 | 68 | 68 | 68 | 68 | 43 | 57 | 58 | 42 | |||||
32 | 70 | 70 | 78 | 78 | 78 | 78 | 51 | 65 | 66 | 50 | |||||
40 | 80 | 80 | 88 | 88 | 88 | 88 | 61 | 75 | 76 | 60 | |||||
50 | 90 | 90 | 102 | 102 | 102 | 102 | 73 | 87 | 88 | 72 | |||||
65 | 110 | 110 | 122 | 122 | 122 | 122 | 95 | 109 | 110 | 94 | |||||
80 | 128 | 128 | 138 | 138 | 138 | 138 | 106 | 120 | 121 | 105 | |||||
100 | 148 | 148 | 158 | 158 | 162 | 162 | 5.0 | 4.5 | 2.5 | 129 | 149 | 150 | 128 | 32° | 3 |
125 | 178 | 178 | 188 | 188 | 188 | 188 | 155 | 175 | 176 | 154 | |||||
150 | 202 | 202 | 212 | 212 | 218 | 218 | 183 | 203 | 204 | 182 | |||||
200 | 258 | 258 | 268 | 268 | 278 | 285 | 239 | 259 | 260 | 238 | |||||
250 | 312 | 312 | 320 | 320 | 335 | 345 | 292 | 312 | 313 | 291 | |||||
300 | 365 | 365 | 370 | 378 | 395 | 410 | 343 | 363 | 364 | 342 | |||||
350 | 415 | 415 | 430 | 438 | 450 | 465 | 5. 5 | 5. 0 | 3. 0 | 395 | 421 | 422 | 394 | 27。 | 3. 5 |
400 | 465 | 465 | 482 | 490 | 505 | 535 | 447 | 473 | 474 | 446 | |||||
450 | 520 | 520 | 532 | 550 | 555 | 560 | 497 | 523 | 524 | 496 | |||||
500 | 570 | 570 | 585 | 610 | 615 | 615 | 549 | 575 | 576 | 548 | |||||
600 | 670 | 670 | 685 | 725 | 720 | 735 | 649 | 675 | 676 | 648 | |||||
700 | 775 | 775 | 800 | 795 | 820 | 840 | 751 | 777 | 778 | 750 | |||||
800 | 880 | 880 | 905 | 900 | 930 | 960 | 856 | 882 | 883 | 855 | |||||
900 | 980 | 980 | 1 005 | 1 000 | 1 030 | 1 070 | 961 | 987 | 988 | 960 | |||||
1 000 | 1 080 | 1 080 | 1 110 | 1 115 | 1 140 | 1 180 | 6. 0 | 4. 0 | 1 062 | 1 092 | 1 094 | 1 060 | 4 | ||
1 200 | 1 280 | 1 295 | 1 330 | 1 330 | 1 350 | 1 380 | 0. 0 | 1 262 | 1 292 | 1 294 | 1 260 |
注:公稱尺寸DN 10~DN 40的法蘭使用PN 40法蘭的尺寸;公稱尺寸DN 50~DN 150的法蘭使 用PN 1(5法蘭的尺寸。
1)對于鑄鐵法蘭和銅合金法蘭,該規格的法蘭可能是4個螺栓孔的,因此,當制造廠和用戶協商同 意后,與鑄鐵法蘭和銅合金法蘭配對使用的鋼制法蘭可以采用4個螺栓孔。
帶括號尺寸不推薦使用,并且僅適用于船用法蘭。括號內為原標準尺寸,用戶也可以根據計算確定法蘭厚度。
1)對于鑄鐵法蘭和銅合金法蘭,該規格的法蘭可能是4個螺栓孔的,因此,當制造廠和用戶協商同 意后,與鑄鐵法蘭和銅合金法蘭配對使用的鋼制法蘭可以采用4個螺栓孔。
帶括號尺寸不推薦使用,并且僅適用于船用法蘭。括號內為原標準尺寸,用戶也可以根據計算確定法蘭厚度。

PN 6B型對焊環板式松套鋼制管法蘭尺寸(GB/T 9120—2010)
公稱 尺寸 DN |
法蘭焊端外徑 | 連接尺寸 | 法蘭 | 法蘭內徑 | 對焊環 | |||||||||
(鋼管外徑) |
法蘭 外徑 D/ mm |
螺栓孔 中心圓 直徑 K/mm |
螺栓孔 直徑 L/ |
螺栓 | 厚度 | |||||||||
A/mm | 數量 | 螺紋 | C/ | B[ /mm | E! | FJ | h2/ | s/ | ||||||
系列I | 系列n | mm | w/個 | 規格 | mm | 系列I | 系列n | mm | mm | mm | mm | |||
10 | 17. 2 | 14 | 75 | 50 | 11 | 4 | M10 | 12 | 21 | 18 | 3 | 5 | 28 | 3 |
15 | 21.3 | 18 | 80 | 55 | 11 | 4 | M10 | 12 | 25 | 22 | 3 | 5 | 30 | 3 |
20 | 26. 9 | 25 | 90 | 65 | 11 | 4 | M10 | 14 | 31 | 29 | 4 | 6 | 32 | 3 |
25 | 33. 7 | 32 | 100 | 75 | 11 | 4 | M10 | 14 | 38 | 36 | 4 | 7 | 35 | 3 |
32 | 42. 4 | 38 | 120 | 90 | 14 | 4 | M12 | 16 | 46 | 42 | 5 | 8 | 35 | 3 |
40 | 48. 3 | 45 | 130 | 100 | 14 | 4 | M12 | 16 | 53 | 49 | 5 | 8 | 38 | 3 |
50 | 60. 3 | 57 | 140 | 110 | 14 | 4 | M12 | 16 | 65 | 61 | 5 | 8 | 38 | 3 |
65 | 76. 1 | 76 | 160 | 130 | 14 | 4 | M12 | 16 | 81 | 81 | 6 | 8 | 38 | 4 |
80 | 88. 9 | 89 | 190 | 150 | 18 | 4 | M16 | 18 | 94 | 94 | 6 | 10 | 42 | 4 |
100 | 114. 3 | 108 | 210 | 170 | 18 | 4 | M16 | 18 | 120 | 113 | 6 | 10 | 45 | 4 |
125 | 139. 7 | 133 | 240 | 200 | 18 | 8 | M16 | 20 | 145 | 138 | 6 | 10 | 48 | 5 |
150 | 168. 3 | 159 | 265 | 225 | 18 | 8 | M16 | 20 | 174 | 164 | 6 | 10 | 48 | 6 |
200 | 219. 1 | 219 | 320 | 280 | 18 | 8 | M16 | 22 | 226 | 226 | 6 | 11 | 55 | 6 |
250 | 273.0 | 273 | 375 | 335 | 18 | 12 | M16 | 24 | 281 | 281 | 8 | 12 | 60 | 8 |
300 | 323. 9 | 325 | 440 | 395 | 22 | 12 | M20 | 24 | 333 | 333 | 8 | 12 | 62 | 8 |
350 | 355. 6 | 377 | 490 | 445 | 22 | 12 | M20 | 26 | 365 | 386 | 8 | 13 | 62 | 8 |
400 | 406. 4 | 426 | 540 | 495 | 22 | 16 | M20 | 28 | 416 | 435 | 8 | 14 | 65 | 8 |
450 | 457.0 | 480 | 595 | 550 | 22 | 16 | M20 | 30 | 467 | 490 | 8 | 15 | 65 | 8 |
500 | 508.0 | 530 | 645 | 600 | 22 | 20 | M20 | 30 | 519 | 540 | 8 | 16 | 68 | 8 |
600 | 610.0 | 630 | 755 | 705 | 26 | 20 | M24 | 32 | 622 | 640 | 8 | 16 | 70 | 8 |
700 | 711.0 | 720 | 860 | 810 | 26 | 24 | M24 | 40 | 721 | 730 | 4 | 16 | 70 | 8 |
800 | 813.0 | 820 | 975 | 920 | 30 | 24 | M2 7 | 44 | 824 | 830 | 4 | 16 | 70 | 10 |
900 | 914.0 | 920 | 1 075 | 1 020 | 30 | 24 | M27 | 48 | 926 | 930 | 4 | 16 | 70 | 10 |
l 000 | 1 016 | 1 020 | 1 175 | 1 120 | 30 | 28 | M27 | 52 | 1 028 | 1 030 | 4 | 18 | 70 | 12 |
1 200 | 1 219 | 1 220 | 1 405 | 1 340 | 33 | 32 | M30 | 60 | 1 234 | 1 234 | 5 | 20 | 90 | 14 |
標記示例
公稱尺寸DN 300、公稱壓力PN 16、突面(RF)A型對焊環板式松套鋼制管法蘭(PL/ W)、配用米制管(系列丨丨)、材料為Q235A,其標記為:
法蘭 DN 300-PN 16 PL/W-A RF |] Q235A GB/T 9120
公稱尺寸DN 600、公稱壓力PN 25、榫槽面(TG)B型對焊環板式松套鋼制管法蘭(PL/ W)、配用英制管(系列1 )、材料為06Crl7Nil2M〇2,其標記為:
法蘭 DN 600-PN 25 PL/W-B TG I 06Crl7Nil2Mo2 GB/T 9120
公稱尺寸DN 300、公稱壓力PN 16、突面(RF)A型對焊環板式松套鋼制管法蘭(PL/ W)、配用米制管(系列丨丨)、材料為Q235A,其標記為:
法蘭 DN 300-PN 16 PL/W-A RF |] Q235A GB/T 9120
公稱尺寸DN 600、公稱壓力PN 25、榫槽面(TG)B型對焊環板式松套鋼制管法蘭(PL/ W)、配用英制管(系列1 )、材料為06Crl7Nil2M〇2,其標記為:
法蘭 DN 600-PN 25 PL/W-B TG I 06Crl7Nil2Mo2 GB/T 9120