環松套法蘭
-
Class標記的對焊環帶頸松套鋼制管法蘭的密封面型式及
適用的公稱壓力和公稱尺寸范圍(GB/T 9118—2010>
密封面 型式 |
公稱壓力 | ||
Class 150 | Class 300 Class 600 Class 900 Class 1500 | Class 2500 | |
突面(RF) | NPS 1/2(DN 15)~NPS 24(DN 600) | NPS 1/2(DN 15)~ NPS 12(DN 300) | |
環連接面(RJ) | NPS 1(DN 25)~ NPS 24(DN 600) | NPS 1/2(DN 15)~NPS 24(DN 600) | NPS 1/2(DN 15)~ NPS 12(DN 300) |
用Class標記的法蘭密封面尺寸。
Class 150、Class 300、Class 600、Class 900、Class 1500 及 Class 2500 對焊環帶頸松 套鋼制管法蘭尺寸.

適用于 Class 150、Class 300、Class 600、Class 900、Class 1500 和 Class 2500
Class標記的環連接面的法蘭密封面尺寸(GB/T 9118—2010)
公稱尺寸 | Class 150 | Class 300 | |||||||||||||
NPS | DN | 環號 | •/min | P | E | F | ^Imax | S | 環號 | /roin | P | E | F | Imax | S |
1/2 | 15 | — | — | — | — | — | — | — | Rll | 50. 5n | 34. 14 | 5. 54 | 7. 14 | 0. 8 | 3 |
3/4 | 20 | — | — | — | — | - | — | — | R13 | 63.5 | 42. 88 | 6. 35 | 8. 74 | 0. 8 | 4 |
1 | 25 | R15 | 63. 0n | 47. 63 | 6. 35 | 8. 74 | 0. 8 | 4 | R16 | 69. 5n | 50. 80 | 6. 35 | 8. 74 | 0. 8 | 4 |
32 | R17 | 72. 5n | 57. 15 | 6.35 | 8. 74 | 0. 8 | 4 | R18 | 79. On | 60. 33 | 6. 35 | 8. 74 | 0. 8 | 4 | |
40 | R19 | 82. 0° | 65.07 | 6. 35 | 8. 74 | 0. 8 | 4 | R20 | 90. 5 | 68. 27 | 6. 35 | 8. 74 | 0. 8 | 4 | |
2 | 50 | R22 | 1011) | 82. 55 | 6. 35 | 8. 74 | 0. 8 | 4 | R23 | 108 | 82. 55 | 7. 92 | 11. 91 | 0. 8 | 6 |
65 | R25 | 120" | 101. 60 | 6. 35 | 8. 74 | 0.8 | 4 | R26 | 127 | 101. 60 | 7. 92 | 11. 91 | 0.8 | 6 | |
3 | 80 | R29 | 133 | 114. 30 | 6. 35 | 8. 74 | 0.8 | 4 | R31 | 146 | 123. 83 | 7. 92 | 11. 91 | 0• 8 | 6 |
4 | 100 | R36 | 171 | 149.23 | 6. 35 | 8. 74 | 0. 8 | 4 | R37 | 175 | 149.23 | 7. 92 | 11. 91 | 0. 8 | 6 |
5 | 125 | R40 | 193° | 171. 45 | 6. 35 | 8. 74 | 0. 8 | 4 | R41 | 210 | 180.98 | 7. 92 | 11. 91 | 0. 8 | 6 |
6 | 150 | R43 | 219 | 193. 68 | 6. 35 | 8. 74 | 0. 8 | 4 | R45 | 241 | 211. 12 | 7. 92 | 11. 91 | 0. 8 | 6 |
公稱尺寸 | Class 600 | Class 900 | |||||||||||||
NPS | DN | 環號 | /min | P | E | F | S | 環號 | min | P | E | F | 1 mHX | S | |
1/2 | 15 | R11 | 50.5" | 34. 14 | 5. 54 | 7. 14 | 0. 8 | 3 | R12 | 60. 5 | 39. 67 | 6. 35 | 8. 74 | 0. 8 | 4 |
3/4 | 20 | R13 | 63. 5 | 42. 88 | 6. 35 | 8. 74 | 0. 8 | 4 | R14 | 66. 5 | 44. 45 | 6.35 | 8. 74 | 0. 8 | 4 |
1 | 25 | R16 | 69. 5n | 50. 80 | 6. 35 | 8. 74 | 0. 8 | 4 | R16 | 71. 5 | 50. 80 | 6. 35 | 8. 74 | 0. 8 | 4 |
1K | 32 | R18 | 79.0l) | 60. 33 | 6. 35 | 8. 74 | 0. 8 | 4 | R18 | 81.0 | 60. 33 | 6. 35 | 8. 74 | 0.8 | 4 |
VA | 40 | R20 | 90. 5 | 68. 27 | 6. 35 | 8. 74 | 0. 8 | 4 | R20 | 92. 0 | 68. 27 | 6. 35 | 8. 74 | 0. 8 | 4 |
2 | 50 | R23 | 108 | 82. 55 | 7. 92 | 11. 91 | 0. 8 | 5 | R24 | 124 | 95.25 | 7. 92 | 11. 91 | 0.8 | 3 |
2% | 65 | R26 | 127 | 101. 60 | 7. 92 | 11. 91 | 0. 8 | 5 | R27 | 137 | 107.95 | 7. 92 | 11. 91 | 0.8 | 3 |
3 | 80 | R31 | 146 | 123. 83 | 7. 92 | 11. 91 | 0.8 | 5 | R31 | 156 | 123. 83 | 7. 92 | 11. 91 | 0. 8 | 4 |
4 | 100 | R37 | 175 | 149. 23 | 7. 92 | 11. 91 | 0. 8 | 5 | R37 | 181 | 149.23 | 7. 92 | 11. 91 | 0. 8 | 4 |
5 | 125 | R41 | 210 | 180.98 | 7. 92 | 11. 91 | 0.8 | 5 | R41 | 216 | 18G.98 | 7. 92 | 11. 91 | 0. 8 | 4 |
6 | 150 | R45 | 241 | 211.12 | 7. 92 | 11. 91 | 0. 8 | 5 | R45 | 241 | 211.12 | 7. 92 | 11. 91 | 0.8 | 4 |
8 | 200 | R49 | 302 | 269.88 | 7. 92 | 11. 91 | 0. 8 | 5 | R49 | 308 | 269.88 | 7. 92 | 11. 91 | 0. 8 | 4 |
10 | 250 | R53 | 356 | 323. 85 | 7. 92 | 11. 91 | 0. 8 | 5 | R53 | 362 | 323. 85 | 7. 92 | 11. 91 | 0. 8 | 4 |
12 | 300 | R57 | 413 | 381.00 | 7. 92 | 11. 91 | 0. 8 | 5 | R57 | 419 | 381. 00 | 7. 92 | 11. 91 | 0.8 | 4 |
14 | 350 | R61 | 457 | 419. 10 | 7. 92 | 11. 91 | 0. 8 | 5 | R62 | 467 | 419.10 | 11. 13 | 16. 66 | 1.5 | 4 |
16 | 400 | R65 | 508 | 469. 90 | 7. 92 | 11. 91 | 0. 8 | 5 | R66 | 524 | 469.90 | 11. 13 | 16. 66 | 1.5 | 4 |
18 | 450 | R69 | 575 | 533.40 | 7.92 | 11. 91 | 0. 8 | 5 | R70 | 594 | 533.40 | 12. 70 | 19. 84 | 1.5 | 5 |
20 | 500 | R73 | 635 | 584. 20 | 9. 53 | 13.49 | 1. 5 | 5 | R74 | 648 | 584.20 | 12. 70 | 19. 84 | 1.5 | 5 |
24 | 600 | R77 | 749 | 692.15 | 11. 13 | 16. 66 | 1.5 | 6 | R78 | 772 | 692.15 | 15. 88 | 26. 97 | 2. 4 | 6 |
公稱尺寸 | Class 1500 | Class 2500 | |||||||||||||
NPS | DN | 環號 | 7 min | P | E | F | -^lmnx | S | 環號 | J min | P | E | F | ^ 1 max | S |
1/2 | 15 | R12 | 60. 5 | 39. 67 | 6. 35 | 8. 74 | 0. 8 | 4 | R13 | 65.0 | 42.88 | 6. 35 | 8. 74 | 0. 8 | 4 |
3/4 | 20 | R14 | 66.5 | 44. 45 | 6. 35 | 8. 74 | 0. 8 | 4 | R16 | 73.0 | 50. 80 | 6.35 | 8. 74 | 0. 8 | 4 |
1 | 25 | R16 | 71. 5 | 50. 80 | 6. 35 | 8. 74 | 0.8 | 4 | R18 | 82. 5 | 60. 33 | 6. 35 | 8. 74 | 0. 8 | 4 |
1K | 32 | R18 | 81.0 | 60. 33 | 6. 35 | 8. 74 | 0.8 | 4 | R21 | 101n | 72. 23 | 7. 92 | 11. 91 | 0. 8 | 3 |
VA | 40 | R20 | 92.0 | 68. 27 | 6. 35 | 8. 74 | 0. 8 | 4 | R23 | 114 | 82.55 | 7. 92 | 11. 91 | 0. 8 | 3 |
2 | 50 | R24 | 124 | 95. 25 | 7. 92 | 11. 91 | 0. 8 | 3 | R26 | 133 | 101. 6 | 7. 92 | 11.91 | 0.8 | 3 |
2% | 65 | R27 | 137 | 107. 95 | 7. 92 | 11. 91 | 0. 8 | 3 | R28 | 149 | 111. 13 | 9. 53 | 13.49 | 1.5 | 3 |
3 | 80 | R35 | 168 | 136. 53 | 7. 92 | 11. 91 | 0. 8 | 3 | R32 | 168 | 127.00 | 9. 53 | 13.49 | 1. 5 | 3 |
4 | 100 | R39 | 194 | 161. 93 | 7. 92 | 11.91 | 0. 8 | 3 | R38 | 203 | 157.18 | 11. 13 | 16. 66 | 1. 5 | 4 |
5 | 125 | R44 | 229 | 193. 68 | 7.92 | 11. 91 | 0. 8 | 3 | R42 | 241 | 190.50 | 12. 70 | 19. 84 | 1.5 | 4 |
6 | 150 | R46 | 248 | 211. 14 | 9. 53 | 13. 49 | 1.5 | 3 | R47 | 279 | 228.60 | 12. 70 | 19.84 | 1. 5 | 4 |
8 | 200 | R50 | 318 | 269.88 | 11. 13 | 16. 66 | 1. 5 | 4 | R51 | 340 | 279.40 | 14. 27 | 23.01 | 1.5 | 5 |
10 | 250 | R54 | 371 | 323.85 | 11. 13 | 16. 66 | 1.5 | 4 | R55 | 425 | 342. 90 | 17.48 | 30. 18 | 2.4 | 6 |
12 | 300 | R58 | 438 | 381.00 | 14. 27 | 23. 01 | 1.5 | 5 | R60 | 495 | 406.40 | 17.48 | 33. 32 | 2.4 | 8 |
14 | 350 | R63 | 489 | 419. 10 | 15.88 | 26. 97 | 2.4 | 6 | — | — | — | — | — | — | — |
16 | 400 | R67 | 546 | 469. 90 | 17.48 | 30. 18 | 2.4 | 8 | |||||||
18 | 450 | R71 | 613 | 533.40 | 17.48 | 30. 18 | 2.4 | 8 | — | — | — | — | — | — | — |
20 | 500 | R75 | 673 | 584.20 | 17.48 | 33.32 | 2.4 | 10 | |||||||
24 | 600 | R79 | 794 | 692.15 | 20. 62 | 36. 53 | 2.4 | 11 | — | — | — | — | — | — | — |
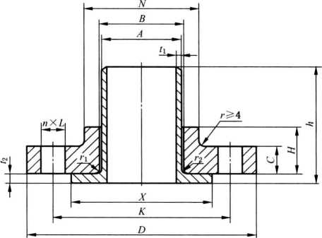
公稱 尺寸 |
鋼管 外徑 A/mm |
連接尺寸 | 密封面 直徑 X/mm |
法蘭 厚度 C/mm |
法蘭 高度 H/mm |
法蘭 頸部 直徑 N/ mm |
法蘭 內徑 Bm\n / mm |
r,/ mm |
ri! mm |
對焊環 高度 h/mm |
|||||
法蘭 外徑 D/mm |
螺栓孔 中心圓 直徑 K/mm |
螺栓孔 直徑 L/mm |
螺栓 | ||||||||||||
NPS | DN | 數量 ”/個 |
螺紋 規格 |
||||||||||||
1/2 | 15 | 21.3 | 90 | 60. 3 | 16 | 4 | M14 | 34. 9 | 11.2 | 16 | 30 | 22. 9 | 3 | 3 | 50 |
3/4 | 20 | 26. 9 | 100 | 69. 9 | 16 | 4 | M14 | 42. 9 | 12. 7 | 16 | 38 | 28.2 | 3 | 3 | 50 |
1 | 25 | 33. 7 | 110 | 79.4 | 16 | 4 | M14 | 50. 8 | 14. 3 | 17 | 49 | 34. 9 | 3 | 3 | 50 |
1K | 32 | 42. 4 | 115 | 88. 9 | 16 | 4 | M14 | 63. 5 | 15. 9 | 21 | 59 | 43. 7 | 5 | 5 | 50 |
1^ | 40 | 48. 3 | 125 | 98.4 | 16 | 4 | M14 | 73. 0 | 17. 5 | 22 | 65 | 50. 0 | 6 | 6 | 50 |
2 | 50 | 60. 3 | 150 | 120. 7 | 19 | 4 | M16 | 92. 1 | 19. 1 | 25 | 78 | 62. 5 | 8 | 8 | 65 |
2% | 65 | 76. 1 | 180 | 139. 7 | 19 | 4 | M16 | 104. 8 | 22. 3 | 29 | 90 | 78.5 | 8 | 8 | 65 |
3 | 80 | 88. 9 | 190 | 152.4 | 19 | 4 | M16 | 127.0 | 23. 9 | 30 | 108 | 91.4 | 10 | 10 | 65 |
4 | 100 | 114. 3 | 230 | 190. 5 | 19 | 8 | M16 | 157. 2 | 23. 9 | 33 | 135 | 116. 8 | 11 | 11 | 75 |
5 | 125 | 139. 7 | 255 | 215. 9 | 22 | 8 | M20 | 185. 7 | 23. 9 | 36 | 164 | 144. 4 | 11 | 11 | 75 |
6 | 150 | 168. 3 | 280 | 241. 3 | 22 | 8 | M20 | 215.9 | 25. 4 | 40 | 192 | 171.4 | 13 | 13 | 90 |
8 | 200 | 219. 1 | 345 | 298. 5 | 22 | 8 | M20 | 269. 9 | 28. 6 | 44 | 246 | 222.2 | 13 | 13 | 100 |
10 | 250 | 273. 0 | 405 | 362.0 | 26 | 12 | M24 | 323. 8 | 30.2 | 49 | 305 | 277.4 | 13 | 13 | 125 |
12 | 300 | 323. 9 | 485 | 431. 8 | 26 | 12 | M24 | 381.0 | 31. 8 | 56 | 365 | 328. 2 | 13 | 13 | 150 |
14 | 350 | 355. 6 | 535 | 476. 3 | 29 | 12 | M27 | 412. 8 | 35. 0 | 79 | 400 | 360. 2 | 13 | 13 | 150 |
16 | 400 | 406. 4 | 595 | 539. 8 | 29 | 16 | M27 | 469. 9 | 36. 6 | 87 | 457 | 411. 2 | 13 | 13 | 150 |
18 | 450 | 457 | 635 | 577. 9 | 32 | 16 | M30 | 533. 4 | 39. 7 | 97 | 505 | 462. 3 | 13 | 13 | 150 |
20 | 500 | 508 | 700 | 635. 0 | 32 | 20 | M30 | 584. 2 | 42. 9 | 103 | 559 | 514. 4 | 13 | 13 | 150 |
24 | 600 | 610 | 815 | 749. 3 | 35 | 20 | M33 | 692. 2 | 47. 7 | 111 | 663 | 616. 0 | 13 | 13 | 150 |
1) 標記示例
公稱尺寸NPS 2CKDN 500)、公稱壓力Class 150、突面(RF)對焊環帶頸松套鋼制管法 蘭(HL/W)、管表號Sch40、材料為06Crl9Nil0,其標記為:
法蘭 NPS 20(或 DN 500)-Class 150 HL/W RF Sch40 06Crl9Nil0 GB/T 9118 公稱尺寸NPS 10(DN 250)、公稱壓力Class 2500、環連接面(RJ)對焊環帶頸松套焊鋼 制管法蘭(HL/W)、管表號Schl60、材料:松套法蘭20、對焊環06Crl7Nil2Mo2,其標記為: 法蘭 NPS 10(或 DN 250)-Class 2500 HL/W RJ Schl60 20/06Crl7Nil2Mo2 GB/T 9118
公稱尺寸NPS 2CKDN 500)、公稱壓力Class 150、突面(RF)對焊環帶頸松套鋼制管法 蘭(HL/W)、管表號Sch40、材料為06Crl9Nil0,其標記為:
法蘭 NPS 20(或 DN 500)-Class 150 HL/W RF Sch40 06Crl9Nil0 GB/T 9118 公稱尺寸NPS 10(DN 250)、公稱壓力Class 2500、環連接面(RJ)對焊環帶頸松套焊鋼 制管法蘭(HL/W)、管表號Schl60、材料:松套法蘭20、對焊環06Crl7Nil2Mo2,其標記為: 法蘭 NPS 10(或 DN 250)-Class 2500 HL/W RJ Schl60 20/06Crl7Nil2Mo2 GB/T 9118