法蘭標準大全

本標準規定了公稱壓力PN為0.25, 0.6 MPa的翻邊板式松套鋼制管法蘭的型式和尺寸。 本標準適用于公稱壓力PN0.25和0.6 MPa的翻邊板式松套鋼制管法蘭。
2引用標準
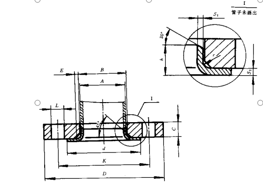
JB/T 74管路法蘭技術條件 3法蘭的型式和尺寸應符合圖1及表1的規定。

4法蘭的技術要求按JB/T 74的規定。
5法蘭的公稱壓力和不同溫度下的最大允許工作壓力按JB/T 74附錄B的規定。
6標記示例
公稱通徑300 mm、公稱壓力0.6 MPa、尺寸為系列2的翻邊板式松套鋼制管法蘭: 法蘭 300—6 JB/T 85?1994
公稱通徑300 mm、公稱壓力0.6 MPa、尺寸為系列1的翻邊板式松套鋼制管法蘭: 法蘭 300—6 (系列 1) JB/T 85?994
公稱 通徑 DN |
管子 外徑 A |
連 | 接 尺 | 寸 |
法蘭 厚度 C |
法蘭 內徑 B |
翻 | 邊 | 環 | 理論重量kg | |||||
法蘭外徑 D 系列1/系列2 |
螺栓孔中 心圓直徑 K |
螺栓孔直徑 L 系列1/系列2 |
螺栓、螺柱 | d |
^1 min |
min |
h min |
r | 法蘭 | 翻邊環 | |||||
數量 n |
螺紋Th. 系列1/系列2 | ||||||||||||||
10 | 14 | 75 | 50 | 12 | 4 | M10 | 10 | 16 | 32 | 1.8 | 3 | 9 | 2 | 0.30 | 0.02 |
15 | 18 | 80 | 55 | 12 | 4 | M10 | 10 | 20 | 40 | 2 | 3 | 9 | 2 | 0.34 | 0.03 |
20 | 25 | 90 | 65 | 12 | 4 | M10 | 10 | 27 | 50 | 2 | 3 | 12 | 2 | 0.42 | 0.05 |
25 | 32 | 100 | 75 | 12 | 4 | M10 | 12 | 34 | 60 | 2 | 3 | 15 | 3 | 0.61 | 0.07 |
32 | 38 | 120 | 90 | 14 | 4 | M12 | 12 | 41 | 70 | 2.6 | 3.5 | 15 | 3 | 0.88 | 0.11 |
40 | 45 | 130 | 100 | 14 | 4 | M12 | 12 | 48 | 80 | 2.6 | 3.5 | 17 | 3 | 1.02 | 0.14 |
50 | 57 | 140 | 110 | 14 | 4 | M12 | 12 | 60 | 90 | 2.6 | 3.5 | 23 | 3 | 1.13 | 0.18 |
65 | 73 | 160 | 130 | 14 | 4 | M12 | 14 | 80 | 110 | 2.6 | 3.5 | 23 | 3 | 1.59 | 0.24 |
80 | 89 | 190/185 | 150 | 18 | 4 | M16 | 14 | 93 | 125 | 3.2 | 4 | 23 | 4 | 2.10 | 0.36 |
100 | 108 | 210/205 | 170 | 18 | 4 | M16 | 14 | 112 | 145 | 3.2 | 4 | 28 | 4 | 2.66 | 0.48 |
125 | 133 | 240/235 | 200 | 18 | 8 | M16 | 14 | 138 | 175 | 3.2 | 4 | 30 | 4 | 2.90 | 0.65 |
150 | 159 | 265/260 | 225 | 18 | 8 | M16 | 16 | 164 | 200 | 3.2 | 4 | 30 | 4 | 3.76 | 0.75 |
(175) | 194 | 290 | 255 | 18 | 8 | M16 | 18 | 200 | 230 | 3.2 | 4 | 30 | 5 | 4.61 | 0.85 |
200 | 219 | 320/315 | 280 | 18 | 8 | M16 | 18 | 225 | 255 | 3.2 | 4 | 30 | 5 | 5.11 | 0.97 |
(225) | 245 | 340 | 305 | 18 | 8 | M16 | 20 | 251 | 280 | 4 | 5 | 30 | 5 | 6.17 | 1.30 |
250 | 273 | 375/370 | 335 | 18 | 12 | M16 | 20 | 279 | 310 | 4 | 5 | 30 | 5 | 6.80 | 1.50 |
300 | 325 | 440/435 | 395 | 23 | 12 | M20 | 24 | 331 | 362 | 4 | 5 | 35 | 5 | 10.85 | 1.96 |
②表中列出的法蘭理論重量是指系列2法蘭
附加說明:
本標準由機械工業部機械標準化研究所提出并歸口。
本標準由機械工業部機械標準化研究所、哈爾濱鍋爐廠起草。 本標準主要起草人李俊英、吳禎家。